公司简介
﹥
公司资质
发展历程
搪玻璃设备
非标设备
环保设备
成套设备
甲醛成套技术
乙醛成套技术
甲酸成套技术
多效蒸发成套技术
企业风貌
产品发运
联系方式
在线咨询
products
产品类别
Category
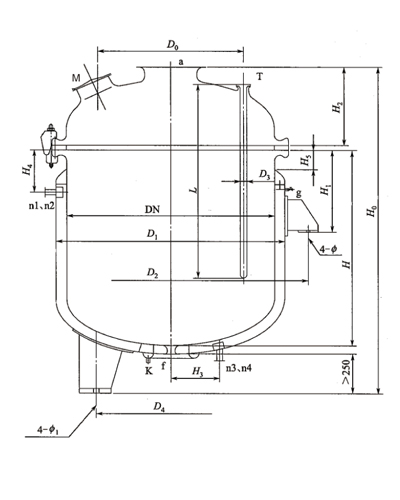
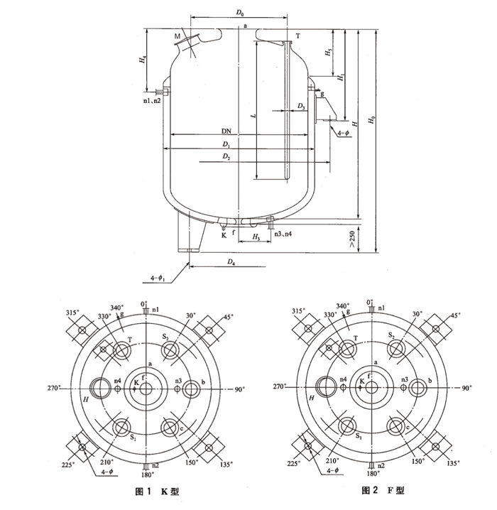
搪玻璃蒸馏容器
[ 返 回 ]
扫一扫
浏览我司移动平台
关于天建
新闻动态
产品中心
销售业绩
生产中心
联系我们
江苏鑫科天建化工设备制造有限公司 版权所有(C)2024 网络支持 著作权声明 网站地图